Hose Clamps

More than 80 years with Innovation and Technology


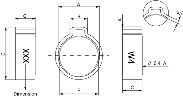
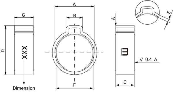
One ear clip with inner ring

W1

Our inner ring clips are specifically designed for very small hose diameters, where the tube or hose material may be too flexible, ensuring tightness in tubes carrying air, gas or liquids.

 

Advantages:

  • Guaranteed Tightness: The inner ring plays a key role, ensuring tightness even in extremely flexible conditions.
  • Protection: The inner ring protects the rubber, preventing possible damage and deterioration to the hose.
  • Ideal for Small Diameters: Perfect for small hoses where deformation could compromise the joint.

What quality do you need?

Technical info for combination: W1

mikalor_one_ear_clip_inner_ring_w1_2d
Brochure-1OREJAW1CA.pdf
Download |

Material:
W1 Steel DC04 (EN 10139)
Stainless steel inner-ring AISI 301

Corrosion resistance:
72 hours salt spray (ASTM B-117)
 

All References for combination: W1

View All references